产品中心
PRODUCT CENTER
ZW8-12户外高压真空断路器
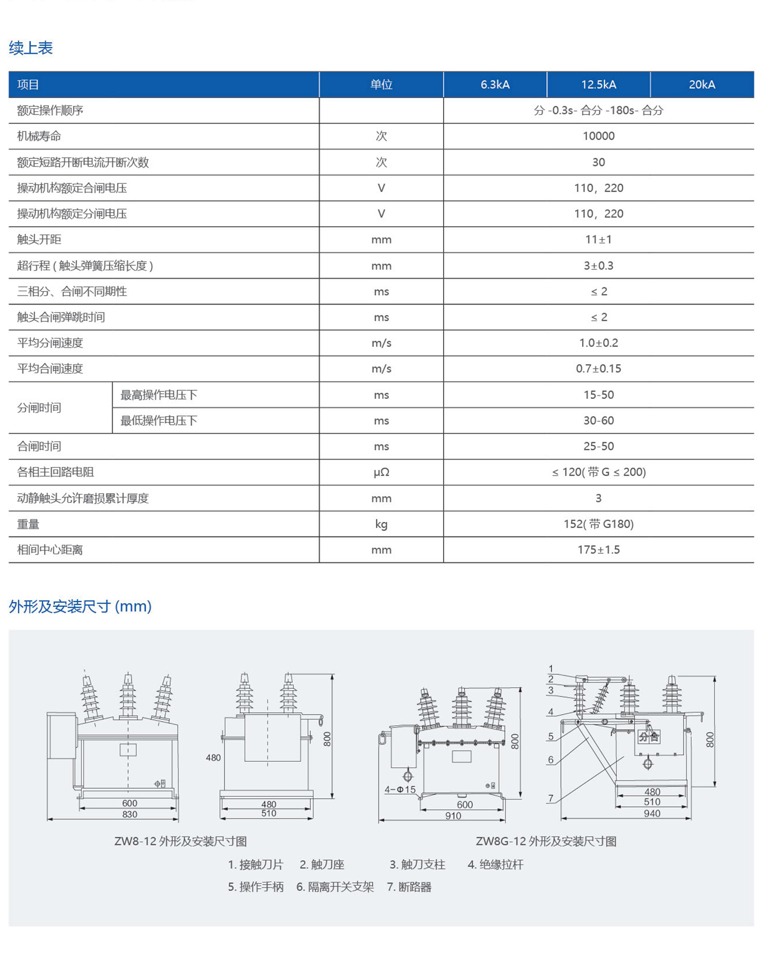
ZW8-12系列真空断路器为额定电压12kV,三相交流50Hz的高压户外开关设备,主要用来开断关合农网、城网和小型电力系统的负荷电流、过载电流短路电流。该产品总体结构为三相共箱式,三相真空灭弧室置于金属箱内,利用SMC绝缘材料相间绝缘及对地绝缘,性能可靠,绝缘强度高。ZW8-12G是由ZW8-12断路器与隔离刀组合而成的,称为组合断路器,可作为分段开关使用。本系列产品的操动机构为CT23型弹簧储能操动机构,分为电动和手动两种。断路器具有合闸涌流控制功能,满足控制及测量要求。配电子控制单元,可实现“四遥”监控。
- 产品信息


