产品中心
PRODUCT CENTER
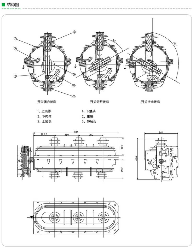
FLN36-24D户内交流高压六氟化硫负荷开关
浙江锟泉电气有限公司是一家专注高低压电气产品研发、生产、销售和服务为一体的科技型企业,专业生产磁吹开关,VS1线路板,柱上真空断路器,户内高压真空断路器,户外高压真空断路器,高压断路器配件,高压负荷开关、高低压成套装置、箱式变电站、电缆分接(支)箱、智能电器等产品。
- 产品信息


产品中心
PRODUCT CENTER
FLN36-24D户内交流高压六氟化硫负荷开关

